一、設備圖片

二、設備組成
整條生產線集合了放料、伺服定位、沖孔、成型、切斷等多項技術于一體的生產設備。
整條生產線由放料系統、伺服定位系統、沖孔系統、成型系統、切斷系統、電控系統等部分組成。
三、型材照片

序號
項目
單位
參數
備注
1
適用
原材
料
類型
低碳鋼、鍍鋅板等
板材強度
Map
≥350
板材厚度
mm
3.0~4.0
可定制
2
生產規格
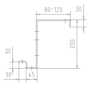
mm
見圖
可定制
3
生產速度
m/min
4~6
可定制
4
輥輪材料
GCr15淬火處理
5
驅動方式
齒輪箱
6
電機總功率
kw
約68kw
7
電控系統
PLC變頻控制
8
外形尺寸(長X寬X高)
m
35X3X2.5
四、技術參數: